
全國免費客服電話 18268652722 郵箱:www.jungshuodz@163.com
手機:18268652722
電話:18268652722
地址:寧波市北侖區大碶廟前山路45號
人氣:


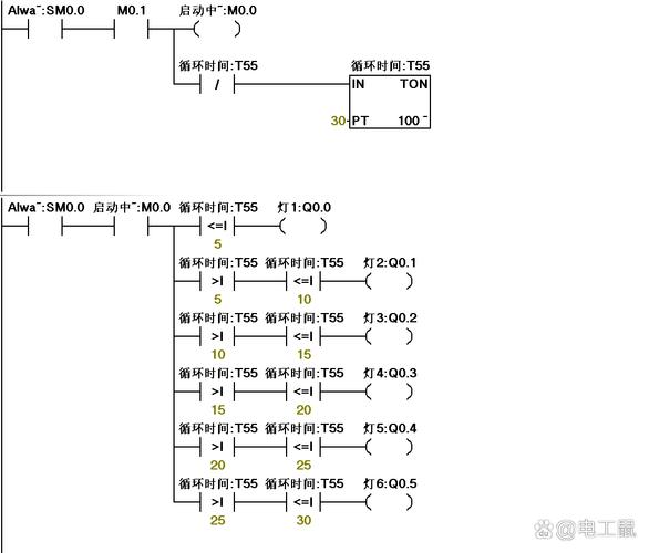
12路多路時間繼電器可編程控制器循環定時開關簡易PLC一體機帶8進8出繼電器(不帶日歷定時。PLC觸摸屏一體機外觀看起來像觸摸顯示屏,后面板上設有輸入輸出端子,用于連接外部輸入信號,不僅可以通過圖形界面監控設備狀態,還可以進行邏輯編程,是小型控制系統的經濟解決方案。
智能終端業務觸摸查詢一體機在銀行的應用,為銀行提供信息發布解決方案,將銀行營業廳所有零散的信息發布需求整合到IT建設系統中,實現信息發布內容全面數字化,實現網絡化管理。以上內容是對工業觸摸屏、工業電腦、工業平板電腦的區別分析。現在你應該有了更好的理解。更多關于工控智能設備的信息,請咨詢創新威智能官網。 8通道12通道8進8出中文簡易PLC可編程控制器循環PLC一體機8通道可編程控制器不支持步進伺服。
中大優控觸摸屏一體機三菱PLC編程控制器4./5/7/10寸工控人機界面。可支持MODBU通訊協議,包括主從模式,可多臺一體機組網靈活使用,并可根據客戶要求定制。觸摸屏安裝盒7寸10寸威綸控制盒新捷人機界面一體安裝支架PLC文本盒LCD顯示屏和觸摸屏合二為一,兼具堅固耐用和高性能計算能力,可有效優化生產力和生產質量。
與傳統工業計算機相比,嵌入式工業計算機可靠性更高,更能適應復雜、惡劣的工業現場環境,適合對功能、可靠性、成本、體積和功耗有嚴格要求的應用系統。成為工控機行業未來的發展趨勢。當觸摸屏幕上的圖形按鈕時,屏幕上的觸覺反饋系統根據預先編程的程序驅動各種連接設備,然后通過液晶顯示屏產生音頻和視頻效果。
工業平板電腦是一種帶有顯示屏的工業計算機。它是工業顯示器和工業計算機的組合。它是用戶與機器之間進行信息通信、傳輸、輸入和接收的接口。觸摸屏一體機也應用了觸摸屏的原理。通過觸摸顯示屏獲取信息,相當于組成了一個完整的人與機器。這種集成效果將使整個操作過程更加簡單快捷,改變傳統的按鈕操作功能。走向智能化的又一個突出表現,下面我們就詳細了解一下。
中大優控2.8寸PLC觸摸屏一體機7路輸入5路輸出,100K高速脈沖,可配伺服電機。中大優控7寸PLC觸摸屏一體機具有可編程組態軟件和雙485通訊模擬H3G。中大優控觸摸屏PLC集成中文在線編程套裝IO控制自帶程序無需編程。今天創新微小編就給大家簡單介紹一下工業平板電腦、工業電腦和觸摸屏的區別,以及它們適應的環境。中大佑控7寸3UPLC觸摸屏一體機可編程支持485熱電偶PT100控溫。
國產狀態架中文可編程多路時間繼電器控制循環定時簡易plc一體機SP-0808MR無時間型號無日歷計時
相關推薦