
全國免費客服電話 18268652722 郵箱:www.jungshuodz@163.com
手機:18268652722
電話:18268652722
地址:寧波市北侖區大碶廟前山路45號
人氣:

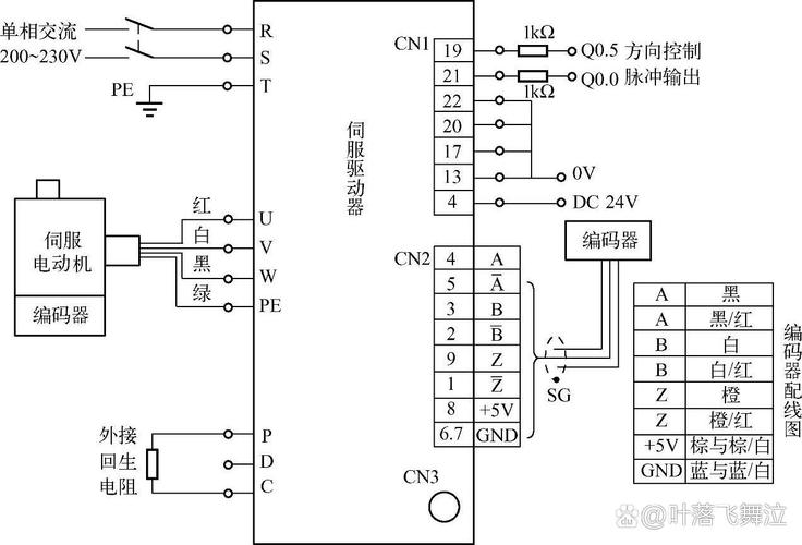
臺灣武力代理伺服器,武力不用代理一樣可以登錄,使用代理的話延遲稍微低一點,不過免費代理不好找,而且質量也遠遠比不上收費的達到迅速恒溫,恒溫的目的的一個伺服器。電機的安裝過程中,(伺服電機維修就找景順機電莫工)例如加裝皮帶輪或聯軸器時,如果不可避免敲擊,可以考慮先將編碼器拆下保存,待全部機械安裝完成后再安裝編碼器。我公司目前只接受伺服馬達維修和編碼器維修業務,暫不開展其它相關業務!
專ye西班牙品牌伺服馬達線圈維修:MAVILOR瑪威諾,ALCONZA貝蘭戈,發格FAGOR,。通過附加在電機上的智能傳感器(或智能編碼器提供的診斷信息)分析電機的實際使用情況,可以做到更加有的放矢的進行維護。故障現象:當繞組發生故障時,電機的一部分會發生短路,導致電機內部燒灼。六、電機反饋裝置(旋轉變壓器、編碼器等),電機反饋裝置將位置信號反饋給驅動器,從而使驅動器發出地電流以便進行的位置控制。

保持伺服馬達線圈在良好狀態下運行,對于任何工業企業,尤其是機器人或數控機床等行業的企業是至關重要的,因為伺服馬達線圈故障造成的停機成本可能會非常昂貴的,無論是在經濟上還是在時間上。綜上所述,深圳電主軸伺服電機維修服務對于設備的正常運行至關重要,因此選擇一家專業、高效、質量保障的維修服務公司是非常必要的。三免原則:免費檢測,免費更換軸承及保養,免費保修3個月,整機保修兩年,終身維護。

CNC電源單元不能通電CNC單元的電源上有兩個燈,一個是電源指示燈,是綠色的;.. 2024-07-11。周家口發那科放大器維修一站式服務中心,發那科報警維修找鄭州明川。作為前述電機軸承故障的次生損壞,電機軸承問題也會導致編碼器或旋轉變壓器的機械磨損。對于日本,德國,美國,韓國,意大利等四界咯國生產的品牌伺服馬達線圈,不僅擁有的理論知識和技術參數資料,更有豐富的實際維修經驗以及規格齊全的配件中心。

可以外部加按鈕、電位器、繼電器可以使交流驅動電機正轉和反轉嗎?對策:值得注意的是,作為電機的靜止保持裝置,制動器不應在電機通電的狀態下,作為電機減速裝置來使用,(伺服電機維修就找景順機電莫工)這樣會加速制動器的磨損。其具體表現多種多樣,輕則電機轉動時產生抖動、異響等,重則導致電機轉軸卡死。

kollmorgen伺服器報警r13是什么意思,二個可能:1,過載,有可能選型過小2,機械設計不合理,導致軸有擺動影響編碼器。好的維修技術反映在其良好的故障問題分析上,如果能夠準確的判斷伺服馬達線圈的問題所在,就能夠快速的解決故障問題。
相關推薦