
全國免費客服電話 18268652722 郵箱:www.jungshuodz@163.com
手機:18268652722
電話:18268652722
地址:寧波市北侖區大碶廟前山路45號
人氣:

零基礎入學、實操為主、深入淺出、通俗易懂、不限時間學會為止,使學生成為專業的家用電器維修技術高手。空調快修(空調管路與基本故障排查不學電路板)學時半個月學費4960。學習冰箱冰柜制冷管路常規檢漏、測壓檢漏、彎管、切管、擴管、制冷管路焊接、抽真空、充注制冷劑、壓縮機檢修、代換、電磁繼電器檢修代換、溫控器檢修代換、風扇、閘閥器件檢修代換。
畢業可推薦大型企業、星級酒店、物業公司等技術部門維修本單位家電產品。學習冰箱冰柜的基本檢修流程、不制冷的檢修流程、制冷效果差的檢修流程、不停機的檢修流程,不啟動的檢修流程、除霜時常的檢修流程、照明燈不亮的檢修流程等。實際操作熱水器進出水困難、出水溫度低、指示燈不亮、指示燈一直不滅、水溫過高、加熱中安全閥漏水、漏電或漏電保護指示燈不亮、指示燈亮但不能加熱、不能重新加熱、加熱時間過長等常見故障檢修;

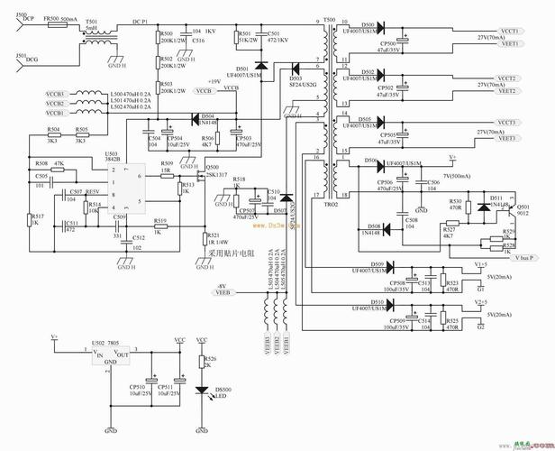
液晶屏維修:CCFL/燈管屏高壓電路原理及檢修,LED屏高壓電路原理與檢修,CCFL/燈管LED背光燈條,的改裝方法及技巧,液晶屏組件結構,液晶屏組件的工作原理與拆解,液晶屏的典型故障,液晶屏維修專用工具介紹,關聯液晶電視內部各個功能板之間故障現象,快速鎖定故障點。東莞市厚街憑良遠程職業培訓學校創辦于2000年,我們心懷愛與責任,教學專業有工業電路板維修培訓(變頻器、伺服驅動器、縫紉機電控等。
電參數標示及計算方法;器件基本連接結構與計算方法,器件在主板上的作用及工作原理,實物電路連接方法與電路符號圖原理;全面學習工業電路板維修須知的知識和技能(包括理論+焊功+儀器+實操)如:各種伺服驅動器、變頻器、觸摸屏、PLC、數控設備、紡織設備等工業電路板常用的各種電子元器件如電阻、電容、電感、變壓器、二極管、三極管、場效應管、晶閘管、集成電路、微型繼電器…等電子元器件的。
網絡機頂盒不通電,拆掉主板上的一個二極管,立馬修復。常見故障處理:冰箱冰柜壓縮機不工作檢修、冷凝器檢修更換、蒸發器檢修更換、干燥過濾器檢修、冰箱毛細血管更換、冰箱不制冷、停機、內漏、漏電、散熱不佳、排水管堵塞、噪聲大、門關不緊或太緊等故障處理。USB VGA接口軟件升級工具及使用方法智能3D液晶電視軟件升級技術及方法,邏輯板/T-CON板、邊板工作流程及檢修。
四軸和六軸的機器人都有教學)、數控機床維修接線調試培訓、數控車床操作編程培訓、UG產品設計培訓、CNC電腦鑼操作編程、工業縫紉機維修培訓、電工考證培訓(電工操作證、中級電工、高級電工)、家電維修培訓(空調制冷、液晶電視機、洗衣機、冰箱、電磁爐、電飯鍋。
相關推薦