
全國免費客服電話 18268652722 郵箱:www.jungshuodz@163.com
手機:18268652722
電話:18268652722
地址:寧波市北侖區大碶廟前山路45號
人氣:

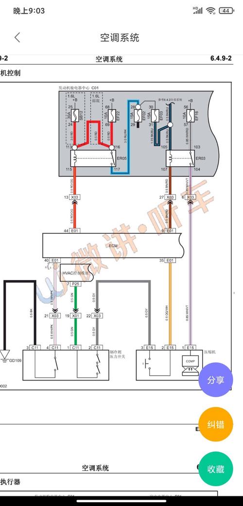
檢查電路板首先需要檢查電路板上是否有明顯的燒毀或損壞的元件,例如燒焦的電子元件、印刷電路板上撕裂或燒壞的線路、電容的破裂等等。長安逸動打開遠光燈的方法是:通過燈光操作桿即可打開,遠光燈在其焦點上,..。下面給大家介紹的這個型號是長安逸動,介紹的版本是2019年高能版1.6...。此時,檢查保險管是否完好,若無問題,可能是電源電路內部的其他元件出現了問題。
逸動的坐墊安裝時只需先把坐墊塞到靠背底下,然后用力壓兩個鎖扣便可,后排。長安逸動空調開啟方法和開冷氣的方法如下:1.按一下AC按鈕即可。在大眾高爾夫上,外循環模式并不需要額外的按鍵操作,當您按下空調的AC按鍵后,系統會自動設置為外循環。其次,空調安裝不當也可能導致響聲,確保安裝牢固且符合規范,必要時請專業人。

采用替換法來區分故障點,如用新主控板換下舊主板后,故障現象消除,說明故障在主控電路;如替換后故障還存在,說明故障在保護電路。首先,開啟空調的電源,只需按下開關A/C,綠色指示燈亮起即表示空調已經啟動。長安逸動油箱蓋的打開方法如下:1、扳動駕駛室座椅左側下方的油箱開關操作。

讓我們一起探討幾個可能的原因:冷凝器積塵: 長時間不清理,冷凝器的散熱功能會受到影響,導致發動機溫度上升,進而影響空調性能,空調的冷熱切換就可能變得。拔插電源線首先,自己可以嘗試拔插空調的電源線,等待一段時間后再插上電源線,看看是否能夠解決問題。

汽車空調的噠噠聲可能源自多種原因,讓我們一一探索:首先,電壓不穩定可能成為罪魁禍首,這時需要檢查與空調連接的電源穩定性,使用穩壓器保持電壓平穩,看看能否改善這個問題。例如,更換新主控板后故障消失,說明問題在主控電路;若更換后故障持續,可能在保護電路部分。款長安逸動搭載了1.4t渦輪增壓發動機,最大馬力是158ps,最大扭矩是260nm,最大功率是116kw。
長安逸動空調的打開方法:按AC鍵即可,打開車鑰匙觀看BCDE上面的一個。首先步:仔細排查首先,您需要仔細檢查電路板,尋找任何明顯的損壞,例如燒焦的元件、斷裂的線路或者破裂的電容。默認情況下,高爾夫的空調系統開啟時會自動調整到最大風量,同時啟動內循環以保持車內空氣新鮮。長安逸動油箱蓋的打開方法是:1、扳動駕駛室座椅左側下方的油箱開關操作桿;2、用配套鑰匙打開。
此時,需要在空調系統低壓側的維修口處慢慢地放出一些制冷劑即可。普通鑰匙用工具輕輕撬開鑰匙的上下殼體,更換電池,將裝好電池的電路板裝回。
相關推薦