
全國免費客服電話 18268652722 郵箱:www.jungshuodz@163.com
手機:18268652722
電話:18268652722
地址:寧波市北侖區大碶廟前山路45號
人氣:


維修服務----專業維修各種進口、SIEI變頻器、國產變頻器、CPU板、軟啟動器、電腦板、各種尺寸開關電源、顯示器、各種控制儀表及觸摸屏和PLC、系列自動化工業控制傳輸設備維護。然后,需要檢查變頻器的通訊設置是否正確,通訊協議是否一致。如果逆變器過熱,需要檢查散熱器的情況以及風扇是否正常工作。
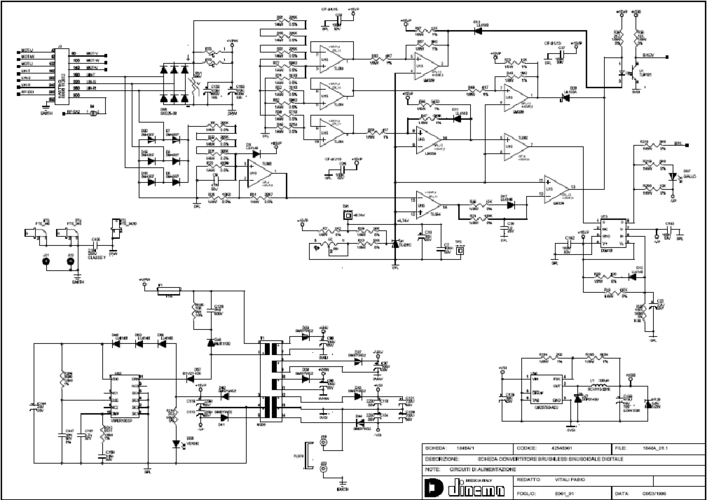
從事變頻器維修的人員需要經常學習,了解變頻器內部電子元件的功能和特點,拓展知識面,將新學到的知識應用到實際工作中,不斷提高維修技術水平。 Avy系列電梯專用變頻器是功率范圍較寬、一般內置硬件(內置PG調速卡、55Kw以下內置制動單元)的產品。參數選擇豐富,系統兼容性強,可以滿足OEM廠商的需求。電梯、起重行業系統集成商和控制柜制造商的各種需求。
還要檢查變頻器內部的程序是否正確。如果程序出現錯誤,則需要重新編寫或下載程序。測試還是和平時一樣。首先測量西威逆變器的模塊,然后開始測量逆變器的輸入整流模塊。通過測量逆變器的輸入整流模塊,測量結果顯示其沒有損壞,正常。檢查變頻器各廣播端口連接是否正確,連接是否松動。連接異常有時會導致變頻器發生故障,嚴重時可能導致機器爆炸。
由于逆變器上沒有面板,客戶自己也不知道故障是什么。他只是說逆變器沒有輸出,電梯無法運行。如果變頻器不能正常運行,需要檢查程序設置是否正確,重要參數是否設置錯誤。查找結果后,即可判斷電路存在異常。 A、到變頻器內部直流電源的P端和N端,將萬用表調至電阻X10檔,將紅表桿分別接P,黑表桿分別接R、S。T,一般阻值為幾十歐姆,基本平衡。
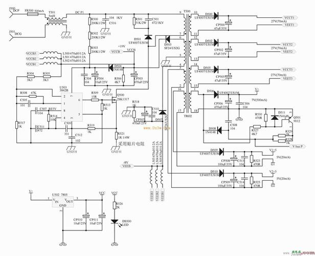
某電梯維保客戶帶來了一臺意大利SV電梯變頻器進行維保。其型號為:AVS1075-XBL-BR4。聽開關變壓器振動的聲音。檢查UC3845的8V電源(一般為9V左右)是否太低。檢查UC3845--14腳2.6v(正常應為5v)是否太低。直接更換電源濾波器47uf35v。 UC3845電壓正常,已安裝。接通電源后,啟動繼電器發出吸合聲,面板顯示正常。
在這篇文章中,上海維易通用電氣將詳細闡述一些常見故障以及如何排除和解決這些問題,希望對用戶的維修和保養有所幫助。若無故障顯示,首先檢查參數是否異常,重新設置參數后,空載(不接電機)情況下啟動變頻器,測試U、V、當變頻器液晶屏上的報警指示燈呈紅色閃爍時,表示變頻器報故障。
相關推薦