
全國免費客服電話 18268652722 郵箱:www.jungshuodz@163.com
手機:18268652722
電話:18268652722
地址:寧波市北侖區大碶廟前山路45號
人氣:


編寫PLC控制程序。設置好變頻器的相關參數后,必須使用編程軟件編寫相應的PLC控制程序并下載到PLC中。 PLC與變頻器的連接方式一般有以下三種: 1、利用PLC的模擬量輸出模塊來控制變頻器。 PLC的模擬量輸出模塊輸出0~5V電壓信號或4~20mA電流信號,作為變頻器的模擬量輸入信號,對變頻器進行控制。設備的輸出頻率。 PLC基本結構圖PLC可編程控制器的存儲器可分為三種類型:系統程序存儲器、用戶程序存儲器和工作數據存儲器。
PLC采用RS-485通訊方式來控制變頻器。這是最常用的方法。 PLC采用RS串行通訊指令進行編程。另外,在設計變頻器的輸入信號電路時,還應注意輸入信號電路連接不當,有時會導致變頻器誤動作。
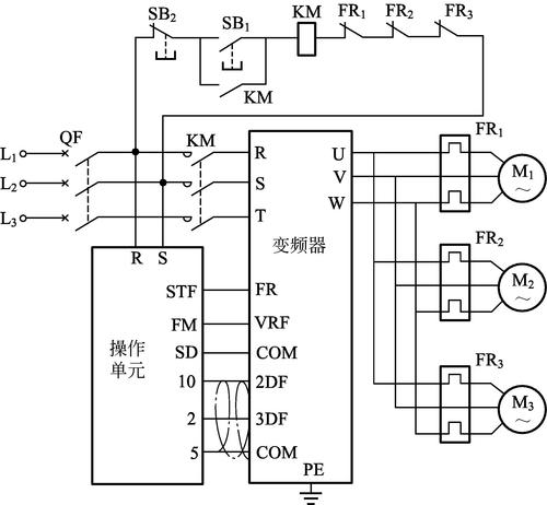
當PLC 內部程序運行時,Y001 端子內部硬接點閉合,相當于變頻器STF 端子外部開關閉合,STF 端子輸入ON,變頻器啟動電機正轉,調節10、2、5端子所連接的電位器,可以改變2端子的輸入電壓,從而改變變頻器輸出電源的頻率,從而改變電機的轉速。
其內容主要包括三部分:第一部分是系統管理程序,主要控制可編程控制器的運行,使整個可編程控制器按部就班地工作;第二部分是用戶指令解釋程序,它使用用戶指令解釋程序將可編程控制器的編程語言轉換為機器語言指令,然后CPU執行這些指令;第三部分是標準程序模塊和系統調用程序。 PLC的開關量輸出可用于控制變頻器的啟停、正反轉、點動、轉速、加減時間等。它可以實現更復雜的控制要求,但只能步進調節速度。
PLC采用RS485通訊來控制變頻器的硬件。 PLC以開關方式控制變頻器時,需要占用較多的輸出端子連接到變頻器相應功能的輸入端子,才能實現變頻器的正轉、反轉和停止。及其他控制;當PLC以模擬方式控制變頻器時,需要使用DA模塊來控制變頻器的頻率速度。單個RS-485鏈路最多可以連接30臺逆變器,并且可以根據每個逆變器的地址或使用廣播信息找到需要通信的逆變器。
BD通訊板外觀及端子如下圖(a)所示。通訊板的安裝方法如下圖(b)所示。模擬量是連續變化的量。利用模擬量控制功能可以連續改變電機的轉速(無級變速)。 PLC以模擬量方式控制變頻器的硬件連接如下圖所示。由于三菱FX2N-32MR PLC沒有模擬量輸出功能。需要連接模擬量輸出模塊(如FX2N-4DA),然后將模擬量輸出模塊的輸出端子連接至變頻器的模擬量輸入端子。
逆變器有兩種連接方式:PNP 或NPN。選擇其中之一主要取決于連接哪條公共線路?
相關推薦