
全國免費客服電話 18268652722 郵箱:www.jungshuodz@163.com
手機:18268652722
電話:18268652722
地址:寧波市北侖區大碶廟前山路45號
人氣:


目前,較先進的可編程控制器采用可隨時讀寫的閃存作為用戶程序存儲器。閃存不需要備用電池,即使電視關閉,數據也不會丟失。電腦與變頻器通過數據線(或USB轉485模塊)連接。打開軟件:PLC與變頻器之間的通信需要遵循通用串行接口協議(USS),并根據串行總線的主從通信原理確定訪問。方法。修改變頻器00-20、00-21的頻率指令和運行指令來源:
鏈路中需要有一個主控制器(主站),每個逆變器都是一個從控制對象(從站)。然后點擊離開,斷開與逆變器的連接,然后重新給逆變器上電。可以看到00-17改成了4KHz,然后又改成了8KHz:電源接線使用隔離線或導管。此處選擇電源線。 1.5毫米^{2}。
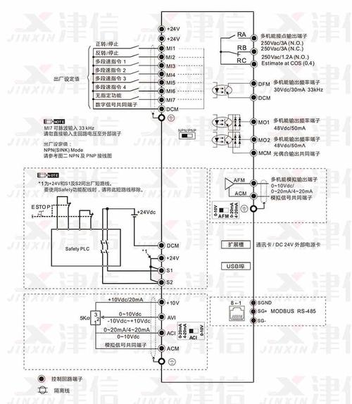
逆變器RS485通訊口。三菱FR500系列變頻器有一個PU端口,用于連接操作面板。該接口可作為RS485通訊口使用。使用RS485與其他設備通訊時,需要連接操作面板插頭(RJ45插頭)。將其從PU 端口上拔下,然后將RS485 通訊電纜的一端插入PU 端口,并將通訊電纜的另一端連接到PLC 或其他設備。
所有標準西門子變頻器均具有RS-485串行接口(有些還提供RS-232接口),采用兩線制連接,其設計標準適合工業環境中的應用。組件映像寄存器用于存儲定時器、計數器、輔助繼電器等內部器件的開關量、輸出狀態以及ON/OFF狀態。注:臺達變頻器FOC控制三相電機以及與控制器485通訊的一些步驟。優點:速度快、距離遠、效率高、運行穩定、編程簡單、可大量連接逆變器。
系統程序存儲器系統程序存儲器用于存儲可編程控制器廠家編寫的系統程序,固化在ROM中,用戶不能直接更改。例如,當輸入信號電路使用繼電器等感性負載時,繼電器斷開和閉合時產生的浪涌電流所產生的噪聲可能會導致變頻器誤動作,應盡量避免這種情況。
PLC模擬量信號控制變頻器硬件:FX1N型、FX2N型PLC主機,配備1塊簡易FX1N-1DA-BD擴展模擬量輸出板;或模擬量輸入輸出混合模塊FX0N-3A;或兩個輸出FX2N-2DA;或具有四個輸出的FX2N-4DA 模塊等。
如果PLC通過RS485通訊控制變頻器,只需一根RS485通訊電纜(含5芯線)即可直接向變頻器發送各種控制、調頻指令。變頻器通過RS485通訊線響應PLC發送的命令。該指令可以執行相應的功能控制。 PLC采用RS-485通訊方式來控制變頻器。這是最常用的方法。 PLC采用RS串行通訊指令進行編程。
PLC以模擬方式控制變頻器的硬件連接。變頻器有一些電壓和電流模擬輸入端子。改變這些端子的電壓或電流輸入值可以改變電機的轉速。如果將這些端子連接到PLC的模擬量輸出端子上,就可以用PLC控制變頻器來調節電機的轉速。
相關推薦